24小时咨询热线:
18721758886
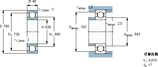
SKF608/630MA
  • 型号:608/630MA
  • 旧型号:- -
  • 厚度(B):48.0000
  • 品牌:瑞典SKF轴承
  • 内径(d):630.0000
  • 额定转速:--
  • 系列:
  • 外径(D):780.0000
  • 极限转速:--
  • 静负荷:--
  • 动负荷:--
  • 备注:--

产品咨询

18721758886

产品详情


Copyright © 2021上海瑞其精密轴承有限公司
在线客服
服务热线

电话:13918447886

电话:18721758886

邮箱

23396280@qq.com

上班时间

周一至周六

服务时间

8:00-18:00

微信客服